Product description:
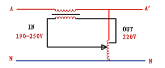
In rural micro-households, the power supply radius is very long, and the traditional transformation needs to extend the 10KV line, adding a new distribution platform with a relatively high cost. Due to the long power supply radius, the back-end users cannot use the power normally. In the peak period of power consumption, the back-end user voltage may be as low as 180V, which cannot guarantee the basic power demand of the user, such as lighting, TV, and startup. Pumps, etc. After the terminal voltage dynamic regulator can be used, the output voltage can be increased to about 210 to 250V.
Working principle:
The terminal voltage regulator is connected in series to the end of the low voltage power supply line for stabilizing the terminal voltage of the line. The input voltage Ui is the line voltage, and the output voltage U0 of the device is a higher voltage after the voltage ?U is superimposed, and the U is dynamic through the end voltage regulator. The regulation is generated to make the output voltage of the terminal voltage regulator pass, which generally meets the electricity demand of 10 to 30 households.

Technical Parameters:
·Load capacity: selectable according to demand (three-phase 10, 20, 30, 50, 60KVA) (single-phase 10, 20KVA)
· Stable accuracy: 5%
·Working range: AC150~250V, phase separation voltage regulation
·Control mode: electronic switch
·Response speed: ≤20ms
· Loss: <0.5%
·Communication interface: optional GPRS, RS485/RS232 interface
·Wiring method: three-phase four-wire
· Heat dissipation method: natural heat dissipation
·Installation method: connected in series on the line
Technical features:
· Maintenance-free design, low loss;
·In any case, the output voltage can be automatically adjusted without power failure, effectively solving the problem of low power consumption of 10 to 30 households;
The three-phase regulator is a three-phase four-wire system, which adopts independent adjustment of three-phase voltage, which can effectively solve the three-phase voltage imbalance problem;
· With multiple protection and bypass power supply, the operation is safe and reliable, ensuring continuous operation;
· Small investment, quick effect, easy installation, and can solve the "low voltage" problem caused by various factors without premise large-scale power grid transformation.









